Adaptation d’une dynamo de bicyclette
ADAPTATION D’UNE DYNAMO DE BICYCLETTE
Il devient de plus en plus difficile de voler (sur n’importe quel type d’avion) sans utiliser une radio. En 1979, j’ai terminé un Bowers Fly Baby. J’ai choisi ce modèle parce que je voulais un avion de base et le Fly Baby est à peu près aussi basique que possible.
Il était propulsé par un Continental A-65 sans système électrique et était équipé seulement de l’instrumentation requise. C’était juste un petit avion formidable et pendant les 10 années où je l’ai possédé, je l’ai piloté partout aux États-Unis, y compris deux voyages à Oshkosh.
Le problème avec le fait d’avoir un avion aussi basique est qu’il était difficile d’installer une radio. Il était presque nécessaire d’utiliser une batterie et un lourd générateur entraîné par le vent, ce qui affecte les performances de l’avion. Pour ces raisons, j’ai résisté à en mettre une dans mon avion. Cela signifiait que lors de mes nombreux vols à travers le pays, j’étais vraiment forcé d’utiliser des aéroports non contrôlés. La plupart des terrains non contrôlés n’ont pas de services tels que des restaurants, etc.
Puis, pour ajouter à la frustration, j’ai commencé à voler avec d’autres gars ayant des avions similaires et la seule façon de communiquer avec eux en vol était par le langage des signes, dont la plupart personne ne comprennent rien.
Mais ensuite est venu ce qui semblait être la réponse à tous nos problèmes, la radio portable. Ces choses fonctionnent vraiment très bien. Elles ont même leurs propres batteries. J’ai acheté une Communication Specialist TR 720 et je l’ai mise dans le vieux Fly Baby. Cela a fonctionné comme un charme. Maintenant je pouvais aller dans des terrains contrôlés et tout. En plus, maintenant je pouvais parler aux autres gars avec qui je volais et qui avaient aussi installé des portables dans leurs oiseaux.
Peu de temps après avoir commencé à utiliser la portable, deux choses sont devenues évidentes. Si vous parlez beaucoup à la radio, la batterie ne dure pas longtemps. Deuxièmement, vous devez vous rappeler de recharger la batterie après chaque vol. Cela peut être un problème si vous êtes sur un long vol à travers le pays parce que vous devez vous rappeler d’apporter le chargeur et ensuite d’emmener la radio avec vous au motel pour recharger la batterie.
Quand on prend de l’âge, on contracte une maladie connue sous le nom de NPPSSC (ne peut pas se souvenir des choses), donc j’ai constaté que j’oubliais toujours de faire l’une des choses ci-dessus et donc la batterie serait morte. Et, bien sûr, en tenant compte de la loi de Murphy, cela arrivait toujours au moment le plus inopportun.
Après quelques occurrences de ce genre, j’ai commencé à chercher des moyens de charger la batterie en vol sans ajouter un de ces gros, lourds, encombrants générateurs à vent. Je me souvenais avoir vu des articles dans SPORT AVIATION où des gars avaient converti des générateurs de bicyclette pour fournir de l’énergie pour ce genre de choses.
J’ai appelé Ben Owen à l’EAA et il m’a envoyé toutes les informations qu’il avait dans ses dossiers sur le sujet. Tout ce que j’ai lu m’a amené à croire que cette approche offrait la solution idéale au problème. Les générateurs de bicyclette sont petits, légers et n’ont pas de balais à user ou à remplacer. De plus, ils peuvent être entraînés par de petites hélices de diamètre qui n’affecteraient pas la performance déjà modeste de l’avion.
Je ne savais pas que cela mènerait à un projet de recherche intensif qui prendrait plus de deux ans à compléter et mettrait environ 100 heures supplémentaires sur le Fly Baby pour faire les tests des diverses itérations du système.
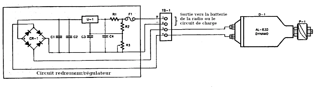
J’ai commencé en utilisant les mêmes techniques que les gars dont j’avais obtenu les informations de l’EAA. J’ai trouvé un « générateur » de bicyclette dans mon magasin de bicyclette local. La première chose que j’ai découverte est que ce n’est pas du tout un générateur mais une dynamo. La différence étant qu’un générateur produit du courant continu et une dynamo produit du courant alternatif. Pour fournir du courant de charge à une batterie, vous devez utiliser du courant continu. Cela signifie que le courant alternatif de la dynamo doit être converti en courant continu. C’est assez facile à faire en redressant simplement la sortie de la dynamo.
Si tout ce que vous aviez besoin de faire était d’utiliser la sortie pour charger une batterie, vous pourriez probablement le faire en vous connectant directement à la sortie du redresseur, en supposant que la tension soit correcte. Cependant, en plus de charger la batterie, la sortie du redresseur fournit aussi la puissance de fonctionnement pour le circuit de la radio.

La sortie du redresseur n’est pas un courant continu pur. Elle pulse en fait à la vitesse de la dynamo. Cette pulsation est maintenant entendue dans le récepteur radio comme un bruit strident aigu fort. La seule façon d’éliminer le bruit est de filtrer la sortie du redresseur pour produire un courant continu plus pur. Avec une dynamo de bicyclette, ce n’est pas facile parce que la dynamo elle-même produit beaucoup de fréquences harmoniques. Pour supprimer la fréquence primaire et toutes les harmoniques audibles, il faut un système de filtrage.
Beaucoup de temps a été passé sur la conception du circuit pour arriver à un filtre satisfaisant et économique. La chose suivante que j’ai découverte à propos de ces petites dynamos, de n’importe quelle dynamo, est que la tension de sortie est directement proportionnelle à la vitesse du rotor, c’est-à-dire, plus vous faites tourner la chose vite, plus la tension aux bornes est élevée. En fait, certaines des dynamos que j’ai testées produisaient plus de 70 volts. Et cela malgré le fait qu’elles soient annoncées comme 12 volts. J’ai appris que lorsque les fabricants évaluent leurs unités, ils supposent que la bicyclette voyagera à une certaine vitesse et aura une roue d’un diamètre moyen.
Si vous supposez que la batterie que vous essayez de charger est de 12 volts, vous avez en réalité besoin d’une tension de maintien optimale de 13,8 volts. Il y a une vitesse de rotor qui produira la tension désirée, mais en pratique il n’est pas possible de maintenir une vitesse constante sur le rotor à cause des vitesses variables de l’avion, etc.
Pour fournir une tension de sortie constante, nous avons besoin d’une sorte de régulateur qui compense les variations. Heureusement, il existe des dispositifs simples, relativement peu coûteux, qui fonctionnent bien dans ce type d’utilisation. Avec ces dispositifs, la tension de sortie peut être ajustée pour correspondre à la tension de charge requise pour la plupart des batteries de radios portatives.
Ainsi, avec la combinaison de redresseur, filtre et régulateur, nous pouvons prendre la sortie de la dynamo et l’utiliser pour charger la batterie de notre radio. J’ai testé au moins 10 dynamos différentes de différents fabricants et j’en ai trouvé une qui, bien que donnée pour un demi-ampère, les fournissait en continu et de manière fiable.
La plupart des radios portatives utilisent environ 0,1 ampère en mode réception et environ 0,75 ampère en transmission. Puisque nous ne transmettons qu’une petite partie du temps, il y a largement assez de courant excédentaire à 0,5 ampère pour s’assurer que la batterie reste chargée ou pour recharger la batterie si elle était complètement morte. Quant à la dynamo elle-même, trouver la bonne combinaison pour la faire fonctionner de manière satisfaisante a été de loin la partie la plus difficile de cet effort.
Au début, j’ai essayé de modifier une unité standard en ajoutant simplement une hélice d’avion modèle réduit, comme les autres gars l’avaient fait, ceux qui avaient fourni les données à l’EAA. Ce n’était évidemment pas la bonne solution parce que je ne pouvais pas obtenir plus de 30 minutes de fonctionnement continu de la dynamo avant que les bagues ne surchauffent et ne se bloquent.
Au début, la défaillance des bagues était certainement aggravée par les types d’hélices que j’utilisais. Je ne sais pas vraiment pourquoi, mais j’avais dans la tête que plus le pas de l’hélice était faible, plus lentement elle tournerait. Eh bien, naturellement, c’est exactement le contraire qui est vrai. J’ai brûlé plusieurs dynamos parfaitement bonnes avant de comprendre cela.
Finalement, j’ai emprunté un compteur de fréquence alimenté par batterie que je transportais dans le Fly Baby. Ce que j’ai découvert, c’est qu’avec les hélices que j’avais utilisées, je faisais tourner la dynamo à presque 20 000 tours par minute à 100 mph indiqués. J’ai ensuite calculé que j’avais besoin de la faire tourner à 7 500 tours par minute afin de produire suffisamment de tension pour surmonter les pertes introduites par le redresseur, le filtre et le régulateur, et d’avoir encore 14 volts disponibles aux bornes, ce qui est la quantité requise pour charger une batterie de 12 volts.
Pour ralentir la dynamo à cette vitesse, j’avais besoin d’une hélice à pas très fort. J’ai cherché dans tous les magasins de modélisme du sud de la Californie et parlé à tous les experts en modèles réduits. J’ai même appelé les fabricants d’hélices. Ils furent tous très serviables mais m’ont tous dit la même chose. Le pas le plus fort que je pouvais obtenir sur une hélice de la taille dont j’avais besoin était de 8,5 pouces. J’ai obtenu quelques-unes de ces hélices et les ai essayées. Elles ont bien ralenti le régime à un peu plus de 12 000 tours par minute à 100 mph.
Alors maintenant, comment faire pour que les bagues résistent à ce genre de charges ? Il devint bientôt évident que je ne le pouvais pas. Le problème avec les bagues est qu’elles étaient conçues pour des charges latérales de courte durée, comme celles rencontrées dans l’utilisation d’une bicyclette. Dans cette application, elles étaient soumises à un fonctionnement à grande vitesse prolongé avec des charges axiales. Enfin, elles étaient lubrifiées avec de la graisse qui n’était pas retenue par des joints et serait expulsée à grande vitesse, laissant les bagues sèches en très peu de temps.
J’ai réalisé à ce moment-là que si ce système devait fonctionner, les bagues devraient être remplacées par des roulements à billes à grande vitesse. La grande question était : pourrais-je trouver une dynamo qui pourrait être modifiée de cette manière et, ensuite, pourrais-je trouver des roulements qui conviendraient à l’application ?
Après 6 mois d’effort intensif, j’ai finalement trouvé une dynamo qui pouvait être modifiée et j’ai trouvé des roulements qui conviendraient à l’application. Heureusement, cette dynamo particulière était de très bonne qualité, à la fois mécaniquement et électriquement. Elle produira 0,5 ampère de manière fiable. Les roulements étaient conçus pour supporter 20 000 tours par minute en continu et, par chance, ils s’emboîtent par pression dans le corps de la dynamo et correspondent au diamètre de l’arbre.
Néanmoins, la dynamo doit être largement modifiée pour accueillir les roulements, comme on peut le voir sur le schéma 2. 18 000 tours par minute correspondent à une vitesse de 125 mph. Si des vitesses plus élevées sont nécessaires, alors il serait nécessaire de fabriquer une hélice avec un pas correspondamment plus élevé. Je n’ai pas essayé cela parce que je ne sais pas comment fabriquer des hélices.
Je devrais dire que tout le travail et la recherche en ont valu la peine car le système a fonctionné encore mieux que je ne l’avais espéré. Il gardait toujours la batterie de la radio chargée et je n’ai plus jamais eu à me rappeler de la brancher. En fait, à cause du NPPSSC, il y avait des moments où j’avais oublié d’éteindre la radio, mais dès que je commençais ma course au décollage, la radio revenait à la vie et la batterie se rechargeait très rapidement.
Un avantage supplémentaire est que le système n’a pas affecté de manière perceptible les performances de l’avion. L’ensemble complet pèse moins de 2 livres. Le système devrait bien fonctionner sur tout avion de construction amateur ou ultraléger avec des vitesses inférieures à 125 mph.
